镀锌加高保温型零泄漏球阀

产品概况

零泄漏球阀是本公司以整体设计,采用新型结构解决阀门中部等外漏的问题。密封设计相对传统球阀的使用寿命提高5-10倍,具有性能稳定、密封可靠、摩擦力小、开关轻便、耐高温、耐磨、耐腐蚀、使用寿命长等优点。

产品详情

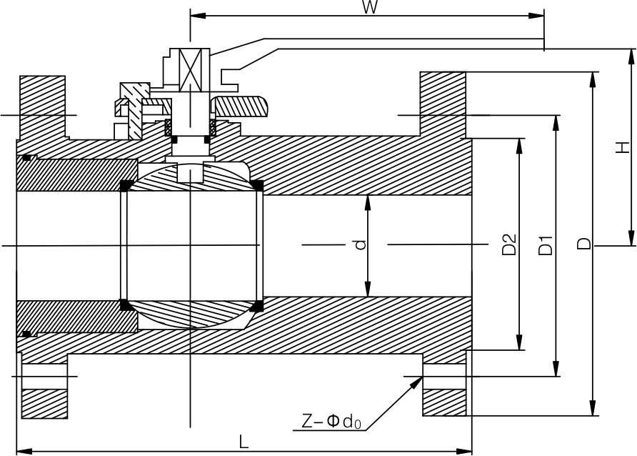
1、阀门采用整体铸造,杜绝中部外漏,阀盖采用六角式,装配紧实,配套法兰密封圈,杜绝外漏。

2、防火结构:当发生火灾时,球体随阀座的介质力,使球体紧密接触通道口处的金属唇,达到防火硬密封功能。

3、防静电结构:不锈钢钢珠受强力弹簧加载,确保球体,阀杆和壳体三者通路,产生的静电畅通输出。

4、防阀杆飞出结构:阀杆一体台阶,确保阀杆受压不飞出。

5、阀杆五级密封结构:第一级为倒密封垫片,第二级为VITON或者全氟迷O型圈,第三级为VITON或者全氮迷O型圈,第四级为V型PTFE、增强密封、柔性石墨、ISO15848填料密封,第五级密封为碟簧垫,在温度和压力瞬间变化,释放瞬间产生的膨胀和压力值,可以自动补偿,从而达到良好的密封效果,保证阀杆的密封。

6、阀座材料可以多种选择,常用日本大金RPTFE,TFM1600,TFM4215,耐高温KFM,PEEK,耐低温PCTFE等。

7、阀座结构为:弧面密封具有刮刀效果,密封更宽,密封效果更显著。带泄压口,开关更轻巧。


镀锌加高保温型零泄漏球阀(图1)   


不锈钢零泄漏球阀(图1)


不锈钢零泄漏球阀(图2)


产品推荐