不锈钢三通

产品概况

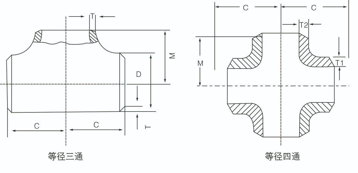
成型工艺:1/2“-16”内臌胀冷加工成型;18”-48”热压成型。

尺寸:1/2"-24"(DN15-DN1000)

标准:GB/T12459,GB/T13401,SH3408,SH3409,HG/T21635,HG/T21631,ASMEB16.9,MSSSP-43,DIN2615,JISB2313

壁厚:SCH5S-SCH160

材质:SF2225,SF2205,SF2507,合金钢,碳素钢,低温用钢,304,304L,316L等


产品详情

三通又称管件三通或三通管件、三通接头等。主要用于改变流体的方向,用于主管支管。它可以按管道尺寸进行分类。一般由碳钢、铸钢、合金钢、不锈钢、铜、铝合金、塑料、氩气、聚氯乙烯等材料制成。


不锈钢三通(图1)


不锈钢三通(图2)

产品推荐