衬氟视镜

产品概况

公称压力:0.6、1.0、1.6MPa,Class150

适用压力:PN≤2.5MPa,工作压力≤1.0MPa,工作温度视衬里材料

法兰连接:HG/T20592-2009,ASME B16.10

阀体材质:铸钢、不锈钢

适用介质:水、油品、蒸汽、液体、气体等


产品详情

衬氟视镜是工业管道装置上主要附件之一,在石油、化工、医药、食品等工业生产装置的管道中,视镜能随时观察管道中液体、气体、蒸汽等介质流动及反应情况,起到监视生产、避免生产过程中事故发生的作用。


1、使用温度高:在强腐蚀介质条件下,可以满足使用温度范围-60℃~200℃,在此温度范围内(除了熔融碱金属、元素氟及芳香烃类外),可满足所有化学介质。

2、耐真空:在-60℃~150℃范围内,可在真空条件下使用,在化工生产中,经常由于冷却、纵向排放、泵阀不同步操作等情况下引起局部真空状态。

3、耐高压:在温度使用范围内,可承受高达3Mpa的使用压力。

4、抗渗透:选用优质的树脂,经过先进衬里工艺加工成高密度、足够厚度的PTFE衬里层,使产品具有优越的抗渗透性。

5、整体模压烧结工艺衬里,解决了钢-氟冷热伸缩的难题,使其达到同步伸缩。

6、采用了标准化尺寸配制,特别是化工管线中使用的管道、管配件都具有很强的互换性,为安装、备件提供了很大的方便。


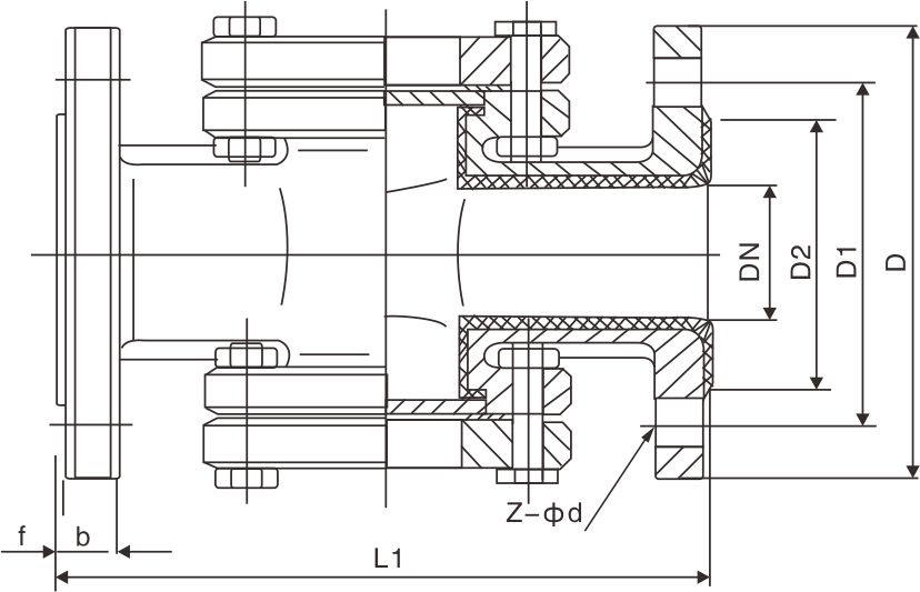
衬氟视镜(图1)


衬氟直通视镜(图1)

产品推荐