Carbon steel four-way

Product overview

Main materials: carbon steel (304 304L 316 316L 321), 20 #, 16MN, Q235, A106

Wall thickness: SCH5-SCH160

Nominal diameter: DN15-DN1200

Execution standards: can be in accordance with standards such as ANSI, JIS, DIN, GB, SHJ, HGJ, etc., and can be designed and produced according to customer needs

Production range: DN15mm to 820mm, pressure PN0.25-250Mpa

Application scope: Used in industries such as petroleum, chemical, nuclear power plants, food manufacturing, construction, shipbuilding, papermaking, pharmaceuticals, etc

Applicable media: water, beverages, beer, food, etc


Product Detail

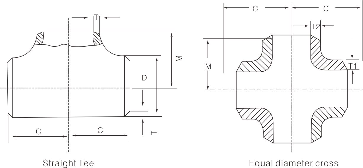
A carbon steel cross pipe fitting with the same diameter at both ends and a branch pipe with a different diameter from the other two is called a reducing cross. The representation method is as follows: for an equal diameter cross, for example, a "T3" cross represents an equal diameter cross with an outer diameter of 3 inches. For reducing spools, such as "T4 × four × 3.5 "represents a reducing cross with a diameter of four inches and a diameter of 3.5 inches. The material is generally 10 # 20 # A3 Q23 20g 20G 16Mn ASTM A234 ASTM A105 ASTM A403, etc. The cross has an outer diameter range of 2.5" -60 ", and is welded from 26" -60 ". The wall thickness is 28-60mm. The pressure classes are Sch5s, Sch10s, Sch10, Sch20, Sch30, Sch40s, STD, Sch40, Sch60, Sch80s, XS; Sch80, Sch100, Sch120, Sch140, Sch160, XXS.


Four way hot pressing forming is to flatten a pipe blank larger than the diameter of the four way to about the size of the four way diameter, and open a hole in the part where the branch pipe is stretched; The tube blank is heated and placed in the forming die, and a stamping die for stretching the branch pipe is inserted into the tube blank; Under the action of pressure, the tube blank is radially compressed, and during the radial compression process, the metal flows in the direction of the branch pipe and forms a branch pipe under the stretching of the die. The entire process is formed through the radial compression of the tube blank and the stretching process of the branch pipe. Unlike hydraulic bulging four-way pipes, the metal of hot pressed four-way branch pipes is compensated by the radial motion of the pipe blank, so it is also known as radial compensation process.


Carbon steel four-way(图1)


Carbon steel four-way(图2)

Recommend