联系电话:
0523-8733 8088
产品详情
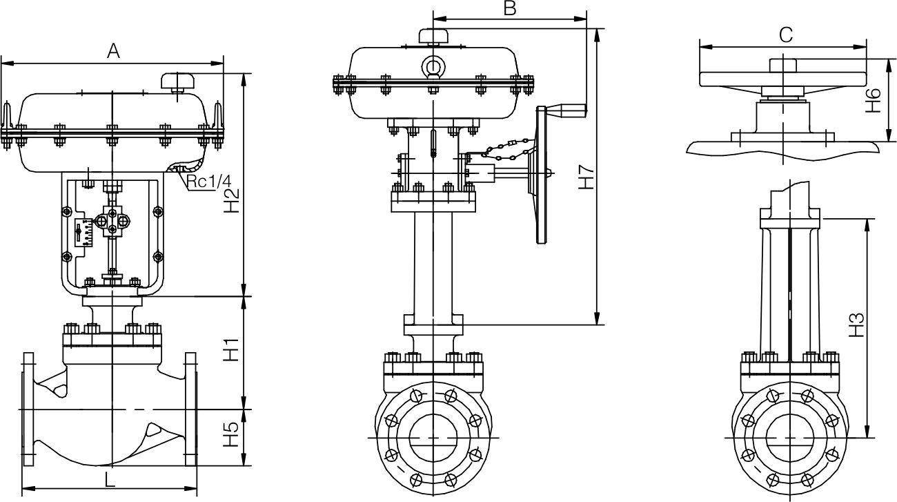
套筒调节阀采用压力平衡型双密封面阀芯结构,流道呈S流线型。具有允许压差高、动作稳定可靠、噪音小、阀容量大、流量特性精确、维护方便等优点,能在易燃易爆场合工作。特别适用于压降大、泄漏量要求不高、介质清洁的场合。


套筒调节阀采用压力平衡型双密封面阀芯结构,流道呈S流线型。具有允许压差高、动作稳定可靠、噪音小、阀容量大、流量特性精确、维护方便等优点,能在易燃易爆场合工作。特别适用于压降大、泄漏量要求不高、介质清洁的场合。



苏公网安备 32128302001489号